青岛迈凯斯精密机械有限公司
24小时服务热线:
13780685308/13061280051
首页
产品中心
企业动态
关于我们
联系我们
当前位置:
首页
BF主轴双速齿轮箱
正文
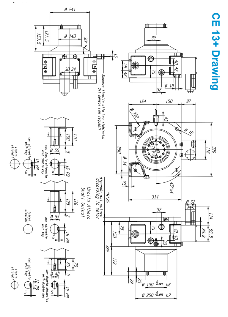
CE13+
作者:青岛迈凯斯
阅读:2525
上一篇:
CE13
2023年11月01日
下一篇:
CE14
2024年01月19日
相关推荐
01-19
CE20
01-19
CE18
01-19
CE16
01-19
CE15
01-19
CE14
11-01
CE13+
11-01
CE13
11-01
CE12
11-01
CE11
咨询热线
13780685308/13061280051
咨询设备 获取报价
您可能感兴趣
10-25
关于我们
01-19
CE15
01-19
CE20
01-19
CE14
01-19
CE16